开云电机系孙凯副教授课题组在应用电力电子会议上获杰出报告奖
开云新闻网3月27日电 近日,国际电气和电子工程师协会应用电力电子会议(IEEE APEC 2018)在美国圣安东尼奥召开。kaiyun开云官方网站电机系孙凯副教授课题组的论文报告在本次大会上获得了杰出报告奖(Outstanding Presentation Award)。
该论文报告题为“基于微小相移的CLLC谐振变换器同步整流策略”(A phase-shift-based synchronous rectification scheme for bi-directional high-step-down CLLC resonant converters),报道了该课题组在谐振型电力电子变换器同步整流技术方面的最新研究成果。

高宇澄硕士代表课题组做大会报告并领取杰出报告奖
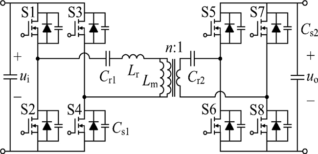
CLLC(电容-电感-电感-电容)谐振变换器(图1)是近年来受到广泛关注的一种直流-直流电力电子变换器,其利用电感与电容之间的谐振现象,实现电力电子开关器件的零电压开通和关断,从而显著提高电力电子变换器的效率。同时,通过调整谐振变换器中高频变压器的匝数比,它可以实现较高的输入/输出电压变比。
然而,现时在大多数谐振变换器的设计中,功率输出侧电路仍依靠传统二极管(或电力场效应管寄生的反并联二极管)实现整流,而二极管导通时存在一定的管压降,故在二极管内部会产生较大的损耗,影响变换器效率的进一步提升。此外,当需要从变换器输出侧向输入侧反馈能量时,二极管无法主动控制变换器中高频变压器励磁电流的来源,这不仅会影响变换器的电压输出特性,而且当励磁电流来源于低电压侧时,由于电流较大,势必会增加导通损耗和电流应力。

图1: CLLC谐振变换器拓扑结构
针对上述问题,课题组为CLLC谐振变换器设计了一种新型的同步整流策略,即通过主动控制场效应管的开关,取代二极管在电路中的功能。使用场效应管是因为在电力电子变换器中,传输相同的电流,场效应管的损耗显著低于同等级的二极管。采用新型同步整流策略后,变换器的效率可以得到明显的提升。不同于传统的简易同步整流策略,新型同步整流策略创造性地在低电压侧的电力电子开关控制信号中设置了一个微小的相移角(图2所示)。其结果是,在电力电子开关的导通和关断瞬态中,低电压侧电流被强制置零,保证励磁电流的主要分量来源于高电压侧。这一方法不仅降低了低电压侧的电流应力和导通损耗,同时保证了功率双向流动时变换器能具有相同的特性。

(a) 传统简易同步整流策略示意图 (b) 新型同步整流策略示意图
图2: 传统简易同步整流策略与新型同步整流策略的对比示意图
课题组通过实验验证发现,采用新型同步整流策略可以为变换器带来4~6%的效率提升(图3所示),意味着电力电子开关器件损耗产生的总发热量可减少50%。相比于传统的简易同步整流策略,新型同步整流策略不仅进一步将效率提升了一个百分点(总发热量进一步减少25%),并且拥有更大的电压调节范围,实现了功率双向流动的对称性。此外,课题组的这一研究成果,对于电路更简单、应用更广泛的LLC(电感-电感-电容)谐振变换器同样适用。

图3: CLLC谐振变换器效率测试曲线
上述研究成果可广泛应用于各类需要功率双向传输的工业与民用领域,如电池储能系统、电动汽车充放电、燃料电池发电与电解制氢装置等。
该项研究工作由kaiyun开云官方网站电机系孙凯副教授课题组完成,科研助理高宇澄为第一作者,孙凯副教授为通讯作者。
应用电力电子会议(IEEE APEC)是电力电子学科最高级别的国际会议暨展览,每年3月在美国召开。2018年与会的专家学者和企业代表超过了3000人,来自全世界电力电子行业的280余家企业参加了会议期间的工业展览。
供稿:电机系 编辑:华山